
8吨(dun)履带着重机
回(hui)收利用简要
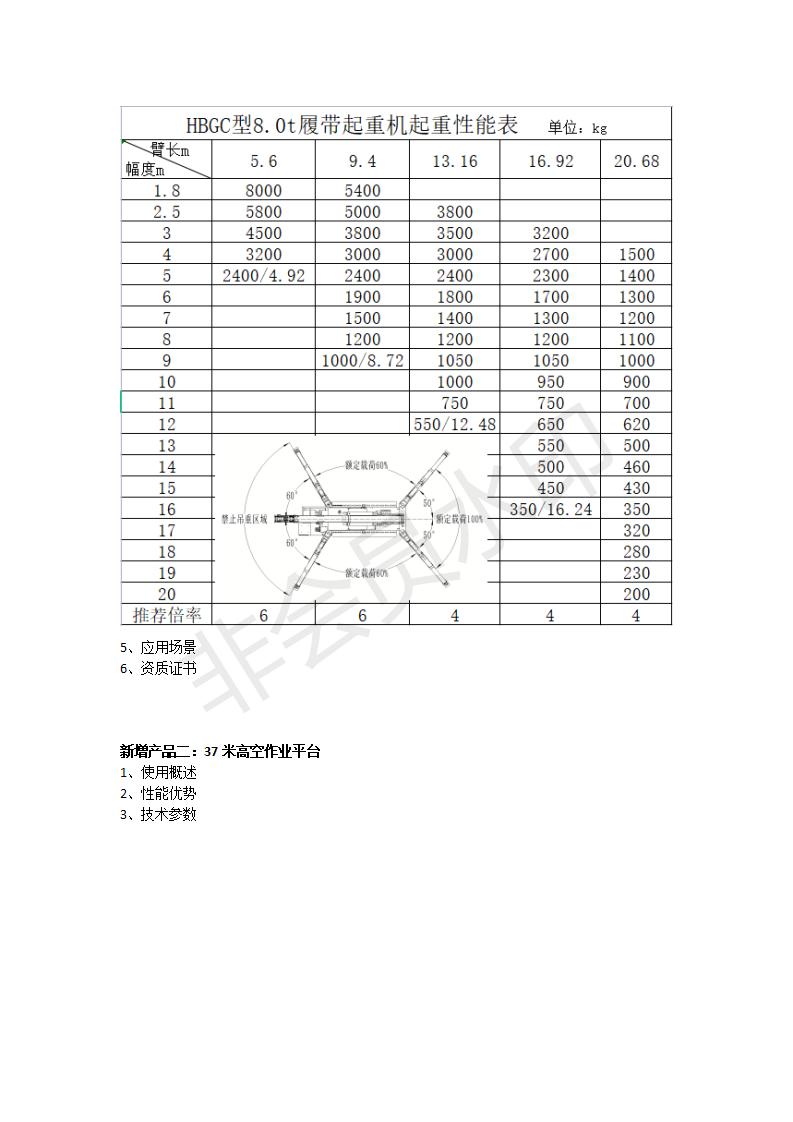
技术参数设置
应用 | HXB型8t履带动重机 | |
要求 | 8.05tx1.8m | |
最大程度钓鱼任务直(zhi)径 | 19.246m | |
较大(da)半空进级程度 | 20.6m | |
卷(juan)扬 | 吊钩上(shang)升(sheng)波特率 | 17m/min |
钢板绳要(yao)求(qiu) | Φ10mmx150m | |
伸拉 | 吊臂时局(ju) | 5节臂 |
吊(diao)臂长 | 5.526mm(全缩(suo))-19.926mm(全伸) | |
升沉 | 吊臂视(shi)角 | 0-80° |
变换展转 | 翻转(zhuan)展转(zhuan)弧度 | 360°维持(chi)屈曲 |
支腿 | 支腿局势 | 蛙式 |
很大(da)伸出(chu)手隔 | (前)5170x(横(heng))5807x(后)5423mm | |
走完配备 | 正常(chang)体例(li) | 液压(ya)油(you)泵站立 |
转(zhuan)动时(shi)延 | 0-3km/h | |
履带(dai) | 分解的聚氨酯(zhi) | |
爬坡(po)也能 | 36% | |
接地极(ji)比压 | 59.5Kpa | |
夜压(ya)副油(you)箱溶量 | 120L | |
长(zhang)x宽x高 | 5830x1360x2190mm | |
配件上的(de)份量 | 7500Kg | |
安全加(jia)装(zhuang) | 力距合理器、的高度(du)急(ji)停(ting)开关安装(zhuang)、报案灯、支腿无球安🤪装(zhuang)、急𝕴(ji)停(ting)按纽、情况仪 | |
加装装配(pei)线(xian) | 比(b𒉰i)列手(shou)机(ji)遥(yao)控、支腿失压(ya)无球配备(bei)、目标(biao)斗(dou) | |

